В избранное
Оказание содействия потребителям тепловой энергии (школам, учебным заведениям, дошкольным учреждениям) в подготовке полного комплекта документов ("под ключ") для получения паспорта готовности к отопительному периоду в соответствии с требованиями Приказа № 2234 от 13 ноября 2024 г. "Об утверждении Правил обеспечения готовности к отопительному периоду и Порядка проведения оценки обеспечения готовности к отопительному периоду".
Обеспечим проверку имеющейся в организации документации на предмет оценки готовности, проведем осмотр тепловых энергоустановок, разработаем недостающие документы (актуализируем тепловую схему теплового пункта, спецификацию, паспорт теплового пункта, производственные и эксплуатационные инструкции, приказы, справки и т.д.). Направим (при необходимости) письма на вызов представителя теплоснабжающей организации для осмотра узлов учета тепловой энергии. Выполним подготовку "под ключ" комплекта документов для получения паспора готовности к отопительному периоду. Направим документацию в установленный срок для проверки в причастные (в т.ч. теплоснабжающие) организации с отметкой вх. №.
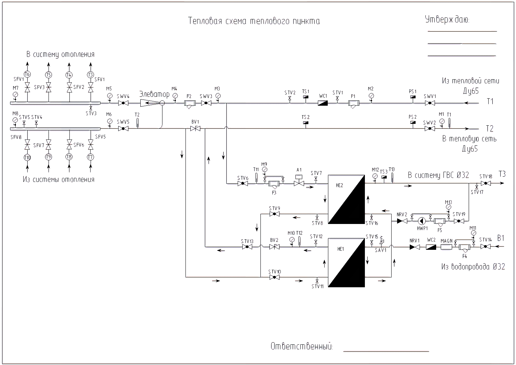
Примеры работ (актуализирована тепловая схема теплового пункта и спецификация)
Перечень документации, необходимой для получения паспорта готовности к отопительному периоду (скачать).
Срок разработки и формирования комплекта документов от 5 рабочих дней.
Стоимость услуги от 12 000 руб. (без НДС).
Подготовка комплекта документов для получения паспорта готовности к отопительному периоду
- 12000 руб.
Артикул:
CN1181
- Есть в наличии
Сопровождение. Подготовка комплекта документов для получения паспорта готовности к отопительному периоду






Отзывы покупателей